Enkelt rad tannhjul rulle
Cat:Tannhjulstrekk
Type Rullestørrelse Rullebredde Rullemateriale ...
En drevet rull er en type tomgangsrulle som brukes i drevne rulletransportører, typisk utstyrt med drivhjul som tannhjul, multi-wedge remskiver, timing remskiver, V-belte remskiver eller O-groovede ruller. Drevne ruller med tannhjul tilbyr høy belastningskapasitet, med tannhjul som vanligvis er laget av stål og tilgjengelig i forskjellige spesifikasjoner basert på belastningskrav. Drevne ruller med multi-wedge remskiver, timingsklasser og V-belte remskiver er designet for beltedrevne systemer og har lettere belastningskapasitet. O-Grooved Rollers brukes også til lett rulletransportører, med lastekapasiteter lavere enn beltedrevne ruller.

Type Rullestørrelse Rullebredde Rullemateriale ...
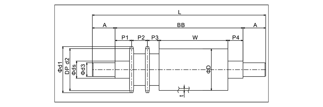
| Type | Rullestørrelse | Rullebredde | Rullemateriale | Peiling | Skaftdiameter | Foringstørrelse | Tannhjul | d | D2 | EN | B | W1 | Bb |
| KR-384010s | 38,1 × 2.3 | 100 ~ 800 | Stkm | 6001zz · 6201Z | 12.0 | 18 × 12,2 × 26 | #40 × 10ts | 46 | 41.1 | 12 | 14 | W-1 | W 28 |
| KR-424010s | 42,7 × 2.3 | 100 ~ 800 | Stkm | 6001zz · 6201Z | 12.0 | 18x12.2 × 26 | #40 × 10ts | 46 | 41.1 | 12 | 14 | W | W 28 |
| KR-484010s | 48,6 × 3,5 | 100 ~ 800 | SGP40A | 6001zz · 6201Z | 12.0 | 18 × 12,2 × 26 | #40 × 10ts | 46 | 41.1 | 12 | 11 | W 5 | W 28 |
| KR-504010s | 50,8 × 1.6 | 100 ~ 800 | Stkm | 6001zz · 6201Z | 12.0 | 18 × 12,2 × 26 | #40 × 10ts | 46 | 41.1 | 12 | 13 | W-1 | W 28 |
| KR-574010s | 57.1 × 2.1 | 100 ~ 1000 | Stkm | 6001zz · 6201Z | 12.0 | 18 × 12,2 × 26 | #40 × 10ts | 46 | 41.1 | 12 | 13 | W | W 28 |
| KR-604010s | 60,5 × 2.3 | 100 ~ 1000 | Stkm | 6001zz · 6201Z | 12.0 | 18 × 12,2 × 26 | #40 × 10ts | 46 | 41.1 | 12 | 13 | W | W 28 |
| KR-605011S | 60,5 × 3. | 100 ~ 1000 | SGP50A | 6002zz | 15.0 | 21 × 15,2 × 41,5 · 21 × 15,2 × 12 | #50 × 11ts | 63 | 56.35 | 20 | 18 | W 3 | W 48 |
| KR-765011S | 76,3 × 4.2 | 100 ~ 1000 | SGP65A | 6002zz | 15.0 | 21 × 15,2 × 41,5 · 21 × 152 × 12 | #50 × 11ts | 63 | 56.35 | 20 | 18 | W 2 | W 48 |
| KR-605013S | 60,5 × 3,8 | 100 ~ 1000 | SGP50A | 6004zz | 20.0 | 29 × 20,2 × 38,5 · 29 × 20,2 × 15 | #50 × 13ts | 73 | 66.34 | 20 | 18 | W 1 | W 48 |
| KR-765013S | 76,3 × 4.2 | 100 ~ 1000 | SGP65A | 6004zz | 20.0 | 29x20.2x38.5 · 29 × 20.2 × 15 | #50 × 13ts | 73 | 66.34 | 20 | 18 | W 2 | W 48 |
| KR-895013S | 89,1 × 4.2 | 100 ~ 1000 | SGP80A | 6004zz | 20.0 | 29 × 20.2x38.5 · 29 × 202x15 | #50 × 13ts | 73 | 66.34 | 20 | 18 | W | W 48 |
| KR-1146014S | 114.3 × 4.5 | 300 ~ 2000 | SGP100A | 6205zz | 25.0 | 35 × 26 × 19 · 35 × 26 × 21 | #60 × 14ts | 93 | 85.61 | 20 | 23 | W | W 58 |
| KR-1406016S | 139,8 × 4.5 | 300 ~ 2000 | SGP125A | 6206zz | 30.0 | 38 × 31,1 × 19 · 38 × 31,1 × 21 | #60 × 16ts | 107 | 97.65 | 20 | 23 | W | W 58 |

Type Rullestørrelse Rullebredde Rullemateriale ...
| Type | Rullestørrelse | Rullebredde | Rullemateriale | Peiling | Skaftdiameter | Foringstørrelse | Tannhjul | D1 | D2 | EN | B | C | W1 | Bb |
| KR-384010SW | 38,1 × 2.3 | 100 ~ 800 | Stkm | 6001zz · 6201Z | 12.0 | 18 × 12,2 × 53 | #40 × 10TSW | 46 | 41.1 | 12 | 23 | 18 | W-1 | W 58 |
| KR-424010SW | 42,7 × 2.3 | 100 ~ 800 | Stkm | 6001zz · 6201Z | 12.0 | 18 × 12,2 × 53 | #40 × 10TSW | 46 | 41.1 | 12 | 23 | 18 | W | W 58 |
| KR-484010SW | 48,6 × 3,5 | 100 ~ 800 | SGP40A | 6001zz · 6201Z | 12.0 | 18 × 12,2 × 53 | #40 × 10TSW | 46 | 41.1 | 12 | 23 | 15 | W 5 | W 58 |
| KR-504010SW | 50,8 × 1.6 | 100 ~ 800 | Stkm | 6001zz · 6201Z | 12.0 | 18 × 12,2 × 53 | #40x10TSW | 46 | 41.1 | 12 | 23 | 18 | W-1 | W 58 |
| KR-574010SW | 57.1 × 2.1 | 100 ~ 1000 | Stkm | 6001zz · 6201Z | 12.0 | 18 × 12,2 × 53 | #40 × 10TSW | 46 | 41.1 | 12 | 23 | 18 | W | W 58 |
| KR-604010SW | 60,5 × 2.3 | 100 ~ 1000 | Stkm | 6001zz · 6201Z | 12.0 | 18 × 12,2 × 53 | #40 × 10TSW | 46 | 41.1 | 12 | 23 | 18 | W | W 58 |
| KR-605011SW | 60,5 × 3,8 | 100 ~ 1000 | SGP50A | 6002zz | 15.0 | 21x15.2 × 66.5 · 21 × 15.2x12 | #50 × 11TSW | 63 | 56.35 | 20 | 25 | 18 | W 3 | W 7 |
| KR-765011SW | 76,3 × 4.2 | 100 ~ 1000 | SGP65A | 6002zz | 15.0 | 21 × 15,2 × 66,5 · 21 × 15,2 × 12 | #50 × 11TSW | 63 | 56.35 | 20 | 25 | 18 | W 2 | W 73 |
| KR-605013SW | 60,5 × 3,8 | 100 ~ 1000 | SGP50A | 6004zz | 20.0 | 29 × 20,2 × 63,5 · 29 × 20,2 × 15 | #50 × 13TSW | 73 | 66.34 | 20 | 25 | 18 | W 1 | W 73 |
| KR-765013SW | 76,3 × 4.2 | 100 ~ 1000 | SGP65A | 600422 | 20.0 | 29 × 20,2 × 63,5 · 29 × 20,2x15 | #50 × 13TSW | 73 | 66.34 | 20 | 25 | 18 | W 2 | W 73 |
| KR-895013SW | 89,1 × 4.2 | 100 ~ 1000 | SGP80A | 6004zz | 20.0 | 29 × 20,2 × 63,5 · 29 × 20,2 × 15 | #50 × 13TSW | 73 | 66.34 | 20 | 25 | 18 | W | W 73 |

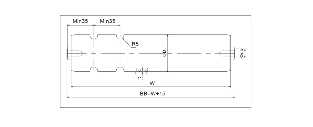
Type Rullestørrelse Rollerbredde Rull Matenal ...
| Type | Rullestørrelse | Rollerbredde | Rull Matenal | Bearng | Skaftdiameter | Tannhjul | D1 | D2 | D3 | EN | L | Bb | P1 | P2 | P3 | P4 |
| KPR-574015SW | 57,2 × 2.6 | 300 ~ 2000 | Stkm | UCPA204 | 25XW 152 | #40 × 15TSW | 67 | 61.08 | 20 | 33 | W 152 | W 86 | 24 | 23 | 17 | 22 |
| KPR-604015SW | 60,5 × 3,8 | 300 ~ 2000 | Stkm | UCPA204 | 25XW 152 | #40 × 15TSW | 67 | 61.08 | 20 | 33 | W 152 | W 86 | 24 | 23 | 17 | 22 |
| KPR-765013SW | 76,3 × 4.2 | 300 ~ 2000 | SGP65A | UCPA204 | 25XW 163 | #50 × 13TSW | 73 | 66.34 | 20 | 33 | W 163 | W 97 | 32 | 25 | 18 | 22 |
| KPR-895013SW | 89,1 × 4.2 | 300 ~ 2000 | SGP80A | UCPA206 | 35XW 169 | #50 × 13TSW | 73 | 66.34 | 30 | 39 | W 169 | W 91 | 29 | 25 | 18 | 19 |
| KPR-1015018SW | 101,6 × 4.5 | 300 ~ 2000 | SGP90A | UCPA206 | 35XW 169 | #50 × 18TSW | 98 | 91.42 | 30 | 39 | W 169 | W 91 | 29 | 25 | 18 | 19 |
| KPR-1145018SW | 114.3 × 4.5 | 300 ~ 2000 | SGP100A | UCPA206 | 35XW 169 | #50 × 18TSW | 98 | 91.42 | 30 | 39 | W 169 | W 91 | 29 | 25 | 18 | 19 |
| KPR-1405018SW | 139,8 × 4.5 | 300 ~ 2000 | SGP125A | UCPA206 | 35XW 169 | #50 × 18TSW | 98 | 91.42 | 30 | 39 | W 169 | W 91 | 29 | 25 | 18 | 19 |

Type Rullestørrelse Rullebredde Rullemateriale ...
| Type | Rullestørrelse | Rullebredde | Rullemateriale | Peiling | Skaftdiameter | Foringstørrelse | Tannhjul | |||||
| Mac-CN384010s | 38,1 × 2.3 | 100 ~ 800 | Stkm | 6001zz · 6201Z | 12.0 | 18 × 12,2 × 17 | #40 × 10ts | |||||
| Mac-CN424010s | 42,7 × 2.3 | 100 ~ 1000 | Stkm | 6001zz · 6201Z | 12.0 | 18x12.2 × 17 | #40 × 10ts | |||||
| Mac-CN484010s | 48,6 × 3,5 | 100 ~ 1000 | SGP40A | 60012Z · 6201Z | 12.0 | 18 × 12,2 × 17 | #40 × 10ts | |||||
| Mac-CN504010s | 50,8 × 1.6 | 100 ~ 1000 | Stkm | 6001zz · 6201Z | 12.0 | 18 × 12,2 × 17 | #40 × 10ts | |||||
| Mac-CN574010s | 57.1 × 2.1 | 100 ~ 1000 | Stkm | 6001zz · 6201Z | 12.0 | 18 × 12,2 × 17 | #40 × 10ts | |||||
| Mac-CN604010s | 60,5 × 2.3 | 100 ~ 1000 | Stkm | 6001zz · 6201Z | 12.0 | 18 × 12,2 × 17 | #40 × 10ts | |||||
| Type | Rullestørrelse | Rullebredde | Rullemateriale | Peiling | Skaftdiameter | Tannhjul | ||||||
| Mac-CS384010s | 38,1 × 2.3 | 100 ~ 800 | Stkm | 6001zz · 6201Z | 12.0 | #40 × 10ts | ||||||
| Mac-CS424010s | 42,7 × 2.3 | 100 ~ 1000 | Stkm | 6001zz · 6201Z | 12.0 | #40 × 10ts | ||||||
| Mac-CS484010s | 48,6 × 3,5 | 100 ~ 1000 | SGP40A | 6001zz · 6201Z | 12.0 | #40 × 10ts | ||||||
| Mac-CS504010s | 50,8 × 1.6 | 100 ~ 1000 | Stkm | 6001zz · 6201Z | 12.0 | #40 × 10ts | ||||||
| Mac-CS574010s | 57.1 × 2.1 | 100 ~ 1000 | Stkm | 6001zz · 6201Z | 12.0 | #40 × 10ts | ||||||
| Mac-CS604010s | 60,5 × 2.3 | 100 ~ 1000 | Stkm | 6001zz · 6201Z | 12.0 | #40 × 10TS | ||||||

Type Rullestørrelse Rullebredde Rullemateriale ...
| Type | Rullestørrelse | Rullebredde | Rullemateriale | Peiling | Skaftdiameter | Foringstørrelse | Tannhjul |
| Mac-CN384010SW | 38,1 × 2.3 | 100 ~ 800 | Stkm | 6001Z · 6201Z | 12.0 | 18 × 12,2 × 17 | #40 × 10ts |
| Mac-CN424010SW | 42,7 × 2.3 | 100 ~ 1000 | Stkm | 6001zz · 6201Z | 12.0 | 18 × 12,2 × 17 | #40 × 10ts |
| Mac-CN484010SW | 48,6 × 3,5 | 100 ~ 1000 | SGP40A | 6001zz · 6201Z | 12.0 | 18 × 12,2 × 17 | #40 × 10ts |
| Mac-CN504010SW | 50,8 × 1.6 | 100 ~ 1000 | Stkm | 6001Z · 6201Z | 12.0 | 18 × 12,2 × 17 | #40 × 10ts |
| Mac-CN574010SW | 57.1 × 2.1 | 100 ~ 1000 | Stkm | 6001zz · 6201Z | 12.0 | 18 × 12,2 × 17 | #40 × 10ts |
| Mac-CN604010SW | 60,5 × 2.3 | 100 ~ 1000 | Stkm | 6001zz · 6201Z | 12.0 | 18 × 12,2 × 17 | #40 × 10TS |

Type Rullestørrelse Rullebredde Rullemateriale ...
| Type | Rullestørrelse | Rullebredde | Rullemateriale | Peiling | Skaftdiameter | Foringstørrelse | Tannhjul | D1 | D2 |
| Mac-CN605010SW | 60,5 × 2.3 | 100 ~ 1000 | Stkm | 6002Z7 · 61902Z | 15.0 | 20 × 15,2 × 16 | #50 × 10ts | 57.43 | 51.37 |
| Mac-CN765013SW | 76,3 × 2.0 | 100 ~ 1000 | Stkm | 6204zz · 61904Z | 20.0 | 25 × 20,2 × 22 | #50 × 13TS | 73 | 66.34 |

R senter 1000 Total lengde Rullebredde ...
| R senter | 1000 | Total lengde | Rullebredde | Bred transportør | Smal sti | Stor diameter | Lasting av rull | Vekt av rull | |||
| Tannhjul | #40 × 10TSW | (∅) | Tykkelse | (∅) | Tykkelse | ||||||
| W rullebredde | 200 ~ 600 | 258 | 200 | 260 | 51.5 | 3.0 | 62.5 | 2.6 | 1842 | 1236 | |
| Rullemateriale | Stkm | 358 | 300 | 360 | 48.8 | 3.0 | 65.2 | 2.6 | 1215 | 1643 | |
| Beaning | 6001zz · 6201Z | 458 | 400 | 460 | 46.0 | 3.1 | 68.0 | 2.6 | 911 | 2050 | |
| db aksel diameter | 12.0 | 558 | 500 | 560 | 43.3 | 3.2 | 70.7 | 2.4 | 725 | 2456 | |
| DC × DC × LC/foringstørrelse | 18 × 12,2 × 53 · 18 × 12,2 × 7 | 658 | 600 | 660 | 41.3 | 3.3 | 74.0 | 2.3 | 597 | 2863 | |
| R senter | 1200 | Total lengde | Rullebredde | Bred transportør | Smal sti | Stor diameter | Lasting av rull | Vekt av rull | |||
| Tannhjul | #40 × 10TSW | (∅) | Tykkelse | (∅) | Tykkelse | ||||||
| W rullebredde | 200 ~ 600 | 258 | 200 | 260 | 52.1 | 2.9 | 61.9 | 2.5 | 1842 | 1.132 | |
| Rullemateriale | Stkm | 358 | 300 | 360 | 49.7 | 3.0 | 64.3 | 2.4 | 1215 | 1487 | |
| Beaning | 6001zz · 6201Z | 458 | 400 | 460 | 47.3 | 3.1 | 65.7 | 2.4 | 911 | 1842 | |
| db aksel diameter | 12.0 | 558 | 500 | 560 | 45.0 | 3.2 | 69.2 | 2.8 | 725 | 2197 | |
| DC × DC × LC/foringstørrelse | 18 × 12,2 × 53 · 18 × 12,2 × 7 | 658 | 600 | 660 | 45.0 | 3.2 | 74.0 | 2 | 597 | 2552 | |
| R senter | 1500 | Total lengde | Rullebredde | Bred transportør | Smal sti | Stor diameter | Lasting av rull | Vekt av rull | |||
| Tannhjul | #40 × 10TSW | (∅) | Tykkelse | (∅) | Tykkelse | ||||||
| W rullebredde | 200 ~ 600 | 258 | 200 | 260 | 52.6 | 2.7 | 61.4 | 2.8 | 1842 | 1233 | |
| Rullemateriale | Stkm | 358 | 300 | 360 | 50.4 | 2.9 | 63.6 | 2.7 | 1215 | 1645 | |
| Beaning | 6001zz · 6201Z | 458 | 400 | 460 | 48.0 | 3.1 | 65.4 | 2.4 | 911 | 2046 | |
| db aksel diameter | 12.0 | 558 | 500 | 560 | 48.0 | 3.4 | 69.8 | 2.4 | 725 | 2452 | |
| DC × DC × LC/foringstørrelse | 18 × 12,2 × 53 · 18 × 12,2 × 7 | 658 | 600 | 660 | 48.0 | 3.1 | 74.0 | 2.1 | 597 | 2.86 | |
| R senter | 2000 | Total lengde | Rullebredde | WDE av transportør | Smal sti | Stor diameter | Lasting av rull | Vekt av rull | |||
| Tannhjul | #40 × 10TSW | (∅) | Tykkelse | (∅) | Tykkelse | ||||||
| W rullebredde | 400 ~ 800 | 458 | 400 | 460 | 50.0 | 3.0 | 62.5 | 2.3 | 911 | 1990 | |
| Rullemateriale | Stkm | 558 | 500 | 560 | 50.0 | 3.0 | 65.6 | 2.2 | 725 | 2398 | |
| Beaning | 6001zz · 6201Z | 658 | 600 | 660 | 50.0 | 3.0 | 68.8 | 2.2 | 597 | 2797 | |
| db aksel diameter | 12.0 | 758 | 700 | 760 | 50.0 | 3.0 | 71.9 | 2.1 | 519 | 3210 | |
| DC × DC × LC/foringstørrelse | 18 × 12,2 × 53 · 18 × 12,2 × 7 | 858 | 800 | 860 | 50.0 | 3.0 | 75.0 | 2.0 | 450 | 3620 | |

R senter 500 Total lengde Rullebredde ...
| R senter | 500 | Total lengde | Rullebredde | Bred transportør | Smal sti | Stor diameter | |
| Tannhjul | #40 × 10TSW | (∅) | (∅) | ||||
| W rullebredde | 300 ~ 700 | 328 | 300 | 330 | 42.7 | 60 | |
| Rullemateriale | Stkm | 428 | 400 | 430 | 42.7 | 65 | |
| Beaning | 6001zz · 6201Z | 528 | 500 | 530 | 42.7 | 75 | |
| db aksel diameter | 12.0 | 628 | 600 | 630 | 42.7 | 80 | |
| DC × DC × LC/foringstørrelse | 18 × 12,2 × 27 · 18 × 12,2 × 7 | 728 | 700 | 730 | 42.7 | 89 |
| R senter | 900 | Total lengde | Rullebredde | Bred transportør | Smal sti | Stor diameter | |
| Tannhjul | #40 × 10TSW | (∅) | (∅) | ||||
| W rullebredde | 300 ~ 700 | 328 | 300 | 330 | 42.7 | 56 | |
| Rullemateriale | Stkm | 428 | 400 | 430 | 42.7 | 60 | |
| Beaning | 6001zz · 6201Z | 528 | 500 | 530 | 42.7 | 65 | |
| db aksel diameter | 12.0 | 628 | 600 | 630 | 42.7 | 70 | |
| DC × DC × LC/foringstørrelse | 18 × 12,2 × 27 · 18 × 12,2 × 7 | 728 | 700 | 730 | 42.7 | 75 |
| R senter | 900 | Total lengde | Rullebredde | bred transportør | Smal sti | Stor diameter | |
| Tannhjul | #40 × 10TSW | (∅) | (∅) | ||||
| W rullebredde | 800 ~ 1000 | 828 | 800 | 830 | 42.7 | 65 | |
| Rullemateriale | Stkm | 928 | 900 | 930 | 42.7 | 70 | |
| Beaning | 6001zz · 6201Z | 1028 | 1000 | 1030 | 42.7 | 75 | |
| db aksel diameter | 12.0 | ||||||
| DC × DC × LC/foringstørrelse | 18 × 12,2 × 27 · 18 × 12,2 × 7 |

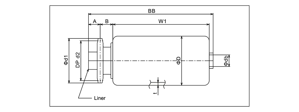
Type Rullestørrelse Rullebredde Rullemateriale ...
| Type | Rullestørrelse | Rullebredde | Rullemateriale | Peiling | Skaftdiameter | Polyvee remskive |
| DQR-3812 | 38,1 × 12 | 100 ~ 1000 | Stkm | 6001zz | 12.0 | Q235 |
| DQRS-3815 | 38,1 × 1,5 | 100 ~ 1000 | SUS304/201 | 6001zz | 12.0 | Q235/sus |
| DQR-5015 | 50,8 × 1,5 | 100 ~ 1000 | Stkm | 6002zz | 12.0 | Harpiks |
| DQRS-5015 | 50 × 1.5 | 100 ~ 1000 | SUS304/201 | 6002zz | 12.0 | Harpiks |
| DQR-5721 | 57,2 × 2.1 | 100 ~ 1000 | Stkm | 6001zz | 12.0 | Q235 |
| DQR-6023 | 60,5 × 2.3 | 100 ~ 1000 | Stkm | 6002zz | 12.0 | Q235 |
| DQRS-6020 | 60 × 2.0 | 100 ~ 1000 | SUS304/201 | 6002zz | 12.0 | Q235/SUS/harpiks |
| DQR-7620 | 76,3 × 2.0 | 100 ~ 1000 | Stkm | 6001zz | 12.0 | Q235 |
| DQRS-7620 | 76 × 2.0 | 100 ~ 1000 | SUS304/201 | 6001zz | 12.0 | Q235/SUS |

Type Rullestørrelse Rullebredde Rullemateriale ...
| Type | Rullestørrelse | Rullebredde | Rullemateriale | Peiling | Skaftdiameter | Vnbbed Pully |
| VR-3812 | 38,1 × 1.2 | 100 ~ 1000 | Stkm | 6001zz | 12.0 | Q235 |
| VRS-3815 | 38 × 1,5 | 100 ~ 1000 | SUS304/201 | 6001zz | 12.0 | Q235/sus |
| VR-5015 | 50,8 × 1,5 | 100 ~ 1000 | Stkm | 6001zz | 12.0 | Q235 |
| VRS-5015 | 50 × 1.5 | 100 ~ 1000 | SUS304/201 | 6001zz | 12.0 | Q235/sus |
| VR-5721 | 57,2 × 2.1 | 100 ~ 1000 | Stkm | 6001zz | 12.0 | Q235 |
| VR-6023 | 60,5 × 2.3 | 100 ~ 1000 | Stkm | 6001zz | 12.0 | Q235 |
| VRS-6020 | 60 × 2.0 | 100 ~ 1000 | SUS304/201 | 6001zz | 12.0 | Q235/sus |
| VR-7620 | 76,3 × 2.0 | 100 ~ 1000 | Stkm | 6001zz | 12.0 | Q235 |
| VRS-7620 | 76 × 2.0 | 100 ~ 1000 | SUS304/201 | 6001zz | 12.0 | Q235/SUS |

Type Rullestørrelse Rullebredde Rullemateriale ...
| Type | Rullestørrelse | Rullebredde | Rullemateriale | Skaftdiameter | Peiling |
| OR-3812 | 38,1 × 1.2 | 100 ~ 1000 | Stkm | 12.0 | Ss |
| ORS-3815 | 38,1 × 1,5 | 100 ~ 1000 | SUS304/201 | 12.0 | Ss/SUS |
| OR-4214 | 42,7 × 1.4 | 100 ~ 1000 | Stkm | 12.0 | Ss |
| OR-5015 | 50,8 × 1,5 | 100 ~ 1000 | Stkm | 12.0 | Ss |
| ORS-5015 | 50 × 1.5 | 100 ~ 1000 | SUS304/201 | 12.0 | Ss/harpiks |
| OR-5721 | 57,2 × 2.1 | 100 ~ 1000 | Stkm | 12.0 | SS |
| OR-6023 | 60,5 × 2.3 | 100 ~ 1000 | Stkm | 12.0 | SS |
| ORS-6020 | 60 × 2.0 | 100 ~ 1000 | SUS304/201 | 12.0 | SS/Resin |
Hvorfor rullebanevedlikehold påvirker systemets levetid direkte Rullebane systemer er ryggraden i mo...
Les merHva gjør en rullebane til virkelig slitesterk? En kraftig rullebane er ikke definert av markedsføringskrav, m...
Les merHva er rullebaner og hvorfor betyr typen noe? Rullebaner er materialhåndteringssystemer som bruker e...
Les merHvorfor rullebaner forblir ryggraden i materialhåndtering Rullebaner forbedre effektiviteten i moder...
Les merTransportørsystemer flytte millioner av tonn materiale hver dag på tvers av fabrikker, varehus, gruveanleg...
Les merHovedtyper av båndtransportsystemer med et blikk Beltetransportør systemer faller inn i flere kjerne...
Les merProduktfordeler med Wuxi Huiqian Drevet rull : Høy holdbarhet og bærende kapasitet
Wuxi Huiqian Logistics Machinery Manufacturing Co., Ltd, kjent for sin integrering av avansert japansk logistikkteknologi, står i spissen for innovasjon i materialhåndteringsindustrien. Selskapet spesialiserer seg på å produsere et bredt spekter av logistikkutstyr av høy kvalitet, inkludert Drevet rull , Rulltransportører, og forskjellige andre kritiske komponenter. Med en komamitment til presisjon, pålitelighet og ytelse, er Wuxi Huiqians drevne ruller designet for å imøtekomme de forskjellige behovene til bransjer som er avhengige av effektive og pålitelige materialhåndteringssystemer.
Drevne ruller spiller en avgjørende rolle i mange logistikk- og produksjonsprosesser. Enten for å flytte store, tunge gjenstander eller små pakker, er disse rullene integrert i automatiserte systemer som effektiviserer arbeidsflyter og øker effektiviteten. Wuxi Huiqians drevne ruller, inkludert Sprocket Drive Rollers og Tapered Drive Rollers, er konstruert for holdbarhet og optimal ytelse i forskjellige driftsmiljøer. Kombinasjonen av avanserte materialer, nyskapende teknologi og tilpassbare design gjør disse rullene til et foretrukket valg for bransjer over hele kloden.
Wuxi Huiqian Drevet rull er designet for å motstå tung belastning og kontinuerlig bruk i krevende miljøer. Rullene er konstruert ved hjelp av høye styrke materialer som stål og rustfritt stål, som sikrer langvarig ytelse selv under strenge forhold. Robustheten til disse materialene garanterer at rullene kan håndtere varierende belastningskapasitet, fra lette industrielle komponenter til tunge maskindeler, uten at det går ut over deres strukturelle integritet.
Spesielt Sprocket Drive Rollers er bygget med slitesterkt stål av høy kvalitet for å sikre at de tåler dreiemomentet som kreves for å drive transportørsystemer i krevende applikasjoner. Tilsvarende viser de avsmalnede drivrullene, designet med en vinkel for å lette jevn drift, også høy styrke og stabilitet under tunge belastningsforhold. Det avanserte materialvalget minimerer slitasje, og forbedrer rullenes evne til å utføre over en lengre levetid.
En av de viktigste fordelene med Wuxi Huiqian -drevne ruller er deres allsidighet og tilpasningsevne for å oppfylle spesifikke kundekrav. Med et sterkt FoU -team ved roret kan selskapet utvikle tilpassede løsninger som samsvarer med unike operasjonelle behov. Drevne ruller kan skreddersys med tanke på størrelse, materiale og funksjonalitet som passer til et bredt spekter av applikasjoner. Enten det er tilpasser rullediameteren, lengden, eller legger til spesialiserte belegg, jobber Wuxi Huiqian tett med kundene for å sikre at produktet samsvarer med de nøyaktige spesifikasjonene.
Evnen til å tilby skreddersydde løsninger gjør disse drevne rullene ideelle for forskjellige bransjer, inkludert bilproduksjon, mat og drikkeproduksjon, lager, logistikk og e-handel. Rullene kan tilpasses for å passe til forskjellige typer transportørsystemer og produksjonslinjer, noe som gjør dem til en allsidig komponent i enhver materialhåndteringsoperasjon.
Wuxi Huiqian er kjent for sine høye standarder for presisjonsteknikk, noe som er avgjørende for å sikre pålitelig ytelse til drevne ruller. Selskapet bruker avanserte CNC (datamaskin numeriske kontroll) -maskiner for å produsere sine drevne ruller med eksepsjonell nøyaktighet. Denne presisjonen garanterer at rullene blir produsert til de nøyaktige spesifikasjonene som kreves for hver unike applikasjon, og minimerer sjansene for funksjonsfeil eller ineffektivitet.
Bruken av CNC -maskiner sikrer også at rullene produseres konsekvent i store volumer, noe som gjør det mulig å opprettholde høye produksjonsstandarder og redusere risikoen for feil. Presisjonen strekker seg også til utformingen av tannhjul og koniske funksjoner, og sikrer at disse kritiske komponentene fungerer jevnt og sømløst i den endelige enheten.
Wuxi Huiqian -drevne ruller er designet for å gi høy driftseffektivitet mens de krever minimalt vedlikehold. Rullene er konstruert for å redusere friksjon og slitasje, noe som reduserer hyppigheten av vedlikeholdsoppgaver og forlenger utstyrets levetid. Denne funksjonen er spesielt viktig i bransjer der kontinuerlig drift er nødvendig og driftsstans må minimeres.
Sprocket Drive Rollers er designet med sammenlåste tenner som reduserer glidning og forbedrer kraftoverføringen, og sikrer at transportørsystemet fungerer effektivt selv under høye belastningsforhold. Tilsvarende er de avsmalnede drivrullene designet for å minimere risikoen for skade på transportbåndet eller omgivende komponenter, noe som forbedrer den generelle påliteligheten til systemet.
Den lave vedlikeholdsdesignen til Wuxi Huiqians drevne ruller reduserer driftskostnadene ved å senke vedlikeholdsbehov og potensialet for uventet driftsstans. I tillegg tilbyr selskapet et omfattende servicesystem etter salg, noe som sikrer at eventuelle problemer blir adressert omgående og at kundene kan opprettholde den jevnlige driften av utstyret deres.
Drevne ruller fra Wuxi Huiqian er designet for å være energieffektive, noe som er avgjørende for å redusere driftskostnadene for materialhåndteringssystemer. Rullene er konstruert for å minimere energiforbruket og samtidig opprettholde kraften som er nødvendig for å drive transportørens systemer. Dette fokuset på energieffektivitet oversettes til lavere strømregninger for bedrifter, og bidrar til generelle kostnadsbesparelser og miljømessig bærekraft.
I en tid der virksomheter i økende grad er opptatt av miljøpåvirkningen, sikrer den energieffektive utformingen av Wuxi Huiqians drevne ruller at selskaper kan operere bærekraftig uten å ofre ytelse eller pålitelighet.
Sprocket Drive Rollers er en av de mest brukte typene drevne ruller i transportørens systemer. Disse rullene er designet for å bli drevet av en kjede og er utstyrt med tannhjul som flammer seg sammen med kjeden, og sikrer jevn og pålitelig drift. Materialet som brukes til ruller i tannhjulstrekk er typisk stål av høy kvalitet eller rustfritt stål, valgt for sin styrke, holdbarhet og evne til å håndtere dreiemomentet som genereres av kjededrevet.
Sprocket Drive Rollers fra Wuxi Huiqian er designet med presise toleranser for å sikre at tannhjulene passer perfekt til kjeden, minimerer glidning og maksimerer strømoverføring. Rullene blir også behandlet for å motstå slitasje og korrosjon, forbedre deres levetid og redusere vedlikeholdsbehov. Bruk av materialer med høy styrke sikrer at disse rullene kan håndtere tunge belastninger, noe som gjør dem egnet for industrielle applikasjoner innen produksjon, emballasje og distribusjon.
Tapered Drive Rollers har en kjegleformet design som gir mulighet for jevn og effektiv bevegelse av materialer på et transportørsystem. Taperen sikrer at materialene blir guidet jevnt langs transportøren, reduserer friksjonen og forbedrer systemets generelle effektivitet. Materialet som brukes til avsmalnede drivruller er typisk rustfritt stål eller høy styrke-legeringsstål, som gir utmerket motstand mot slitasje og korrosjon, noe som gjør det egnet for en rekke miljøer, inkludert matbehandling, legemidler og tung industriell bruk.
Den avsmalnede designen bidrar også til rullens evne til å håndtere forskjellige størrelser og vekter av materialer, noe som gjør disse rullene svært tilpasningsdyktige til en rekke applikasjoner. Wuxi Huiqians avsmalnede drivruller er produsert med presisjon for å sikre at avsmalnende vinkelen er konsistent i alle ruller, og gir en enhetlig forestilling over hele transportøren.
Bruken av rustfritt stål og legeringsstål i konstruksjonen av drevne ruller sikrer holdbarhet i tøffe eller etsende miljøer. Disse materialene er svært motstandsdyktige mot rust, korrosjon og slitasje, noe som gjør dem ideelle for industrier der rullene blir utsatt for fuktighet, kjemikalier eller andre miljøutfordringer. For eksempel drar mat- og drikkeindustrien, hvor hygiene er en prioritet, drar for korrosjonsbestandige egenskaper til rustfritt stål-ruller.
De korrosjonsbestandige egenskapene til materialene er også med på å opprettholde integriteten til transportørens system over tid, og forhindrer kostbare reparasjoner og sikrer jevn ytelse.
Wuxi Huiqian Logistics Machinery Manufacturing Co., Ltd's Driven Rollers, inkludert Sprocket Drive og Tapered Drive -modeller, tilbyr betydelige fordeler når det gjelder holdbarhet, tilpasning, presisjonsteknikk og effektivitet. Ved å bruke materialer av høy kvalitet som stål og rustfritt stål, gir disse rullene langvarige, lave vedlikeholdsløsninger for bransjer som spenner fra bilproduksjon til logistikk og matbehandling. Deres evne til å håndtere tunge belastninger, redusere energiforbruket og fungere jevnt i krevende miljøer gjør dem til et pålitelig valg for enhver virksomhet som ønsker å optimalisere materialhåndteringssystemene.
Å bringe håndverk til fremtiden.
No.60, Zhenhu North Road, Hudai Town, Binhu District , Wuxi 214100, Kina







