HJR-2015b
Cat:Harpiksruller
Bredde på rullet w (mm) 100 200 300 4...
Avansert struktur, ytelse av høy kvalitet, enkel å bruke, høy pålitelighet og holdbarhet.
Resiksrullere har vanligvis PVC -ruller med en integrert harpikslager og aksel. Rammealternativene inkluderer pulverlakkert stål, rustfritt stål eller aluminium. Denne transportørstypen er egnet for lysbelastningsartikler og er også anvendelig innen mat, farmasøytisk og kjemisk industri.

Bredde på rullet w (mm) 100 200 300 4...
| Bredde på rullet w (mm) | 100 | 200 | 300 | 400 | 500 | |
| Bredde på transportør W 45 (mm) | 145 | 245 | 345 | 445 | 545 | |
| Lasting av rulle (kg) | 11.5 | 10.7 | 10 | 9.2 | 7.0 | |
| 2000L vekt av transportør (kg) | 25p | 4.3 | 6.4 | 8.5 | 10.7 | 12.8 |
| 30p | 3.8 | 5.7 | 7.5 | 9.4 | 11.3 | |
| Vekt av rull (G) | 33 | 55 | 78 | 100 | 12.2 | |

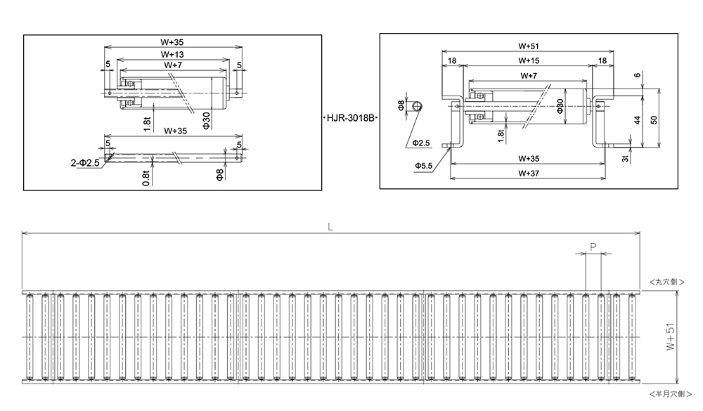
Bredde på rullet w (mm) 100 200 300 4...
| Bredde på rullet w (mm) | 100 | 200 | 300 | 400 | |
| Bredde på transportør W 45 (mm) | 145 | 245 | 345 | 445 | |
| Lasting av rulle (kg) | 13.5 | 12.6 | 12.5 | 11.8 | |
| 2000L vekt av transportør (kg) | 30p | 6.5 | 8.5 | 11 | 19 |
| 40p | 5 | 7.5 | 10 | 12.3 | |
| Vekt av rull (G) | 50.5 | 75 | 115 | 145 | |

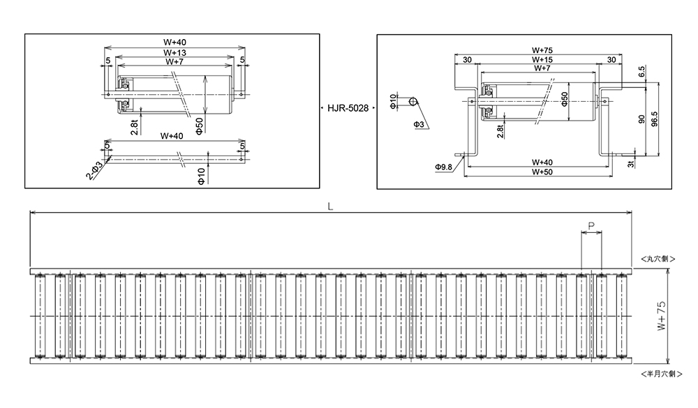
Bredde på rullet w (mm) 100 200 300 4...
| Bredde på rullet w (mm) | 100 | 200 | 300 | 400 | 500 | |
| Bredde på transportør W 51 (mm) | 151 | 251 | 351 | 451 | 551 | |
| Lasting av rulle (kg) | 16.5 | 15.7 | 15 | 14.2 | 13.5 | |
| 1500L vekt av transportør (kg) | 40p | 7.2 | 10.8 | 14.5 | 18 | 21.7 |
| 50p | 6.2 | 9.2 | 12.2 | 15.1 | 18.2 | |
| Vekt av rull (G) | 64 | 106 | 149 | 191 | 235 | |

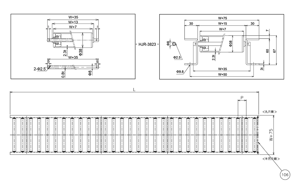
Bredde på rullet w (mm) 100 200 300 4...
| Bredde på rullet w (mm) | 100 | 200 | 300 | 400 | 500 | |
| Bredde på transportør W 75 (mm) | 175 | 275 | 375 | 475 | 575 | |
| Lasting av rulle (kg) | 21.5 | 20.8 | 20.1 | 19.5 | 18.6 | |
| 3000L vekt av transportør (kg) | 50p | 11.5 | 15.2 | 18.8 | 22.5 | 26.2 |
| 75p | 9.7 | 12.3 | 14.8 | 17.5 | 20.0 | |
| Vekt av rull (G) | 91 | 145 | 199 | 253 | 307 | |

Bredde på rullet w (mm) 100 200 300 4...
| Bredde på rullet w (mm) | 100 | 200 | 300 | 400 | 500 | 600 | |
| Bredde på transportør W 75 (mm) | 175 | 275 | 375 | 475 | 575 | 675 | |
| Lasting av rulle (kg) | 32 | 31 | 30 | 29.5 | 28.5 | 27.7 | |
| 3000L vekt av transportør (kg) | 75p | 13.5 | 17.7 | 22.0 | 26.1 | 30.5 | 34.1 |
| 100p | 12.1 | 15.3 | 18.6 | 21.9 | 25.2 | 27.8 | |
| Vekt av rull (G) | 148 | 243 | 339 | 435 | 530 | 626 | |

Bredde på rullet w (mm) 100 200 300 4...
| Bredde på rullet w (mm) | 100 | 200 | 300 | 400 | 500 | 600 | |
| Bredde på transportør W 75 (mm) | 175 | 275 | 375 | 475 | 575 | 675 | |
| Lasting av rulle (kg) | 35 | 34 | 33 | 30 | 29 | 28.5 | |
| 3000L vekt av transportør (kg) | 75p | 14.4 | 19.3 | 24.2 | 29.0 | 34.0 | 38.2 |
| 100p | 12.7 | 16.5 | 20.3 | 23.9 | 27.8 | 30.9 | |
| Vekt av rull (G) | 172 | 283 | 395 | 506 | 617 | 728 | |
Hvorfor rullebanevedlikehold påvirker systemets levetid direkte Rullebane systemer er ryggraden i mo...
Les merHva gjør en rullebane til virkelig slitesterk? En kraftig rullebane er ikke definert av markedsføringskrav, m...
Les merHva er rullebaner og hvorfor betyr typen noe? Rullebaner er materialhåndteringssystemer som bruker e...
Les merHvorfor rullebaner forblir ryggraden i materialhåndtering Rullebaner forbedre effektiviteten i moder...
Les merTransportørsystemer flytte millioner av tonn materiale hver dag på tvers av fabrikker, varehus, gruveanleg...
Les merHovedtyper av båndtransportsystemer med et blikk Beltetransportør systemer faller inn i flere kjerne...
Les merÅ bringe håndverk til fremtiden.
No.60, Zhenhu North Road, Hudai Town, Binhu District , Wuxi 214100, Kina







