Pallstativ
Cat:Pallstativ
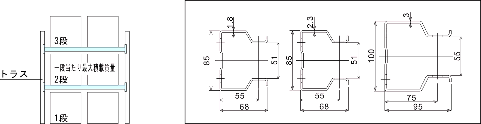
Alternativ · Det er tre typer av dette tunge stativet: l, m, h ...
Avansert struktur, ytelse av høy kvalitet, enkel å bruke, høy pålitelighet og holdbarhet.
Hvorfor rullebanevedlikehold påvirker systemets levetid direkte Rullebane systemer er ryggraden i mo...
Les merHva gjør en rullebane til virkelig slitesterk? En kraftig rullebane er ikke definert av markedsføringskrav, m...
Les merHva er rullebaner og hvorfor betyr typen noe? Rullebaner er materialhåndteringssystemer som bruker e...
Les merHvorfor rullebaner forblir ryggraden i materialhåndtering Rullebaner forbedre effektiviteten i moder...
Les merTransportørsystemer flytte millioner av tonn materiale hver dag på tvers av fabrikker, varehus, gruveanleg...
Les merHovedtyper av båndtransportsystemer med et blikk Beltetransportør systemer faller inn i flere kjerne...
Les merÅ bringe håndverk til fremtiden.
No.60, Zhenhu North Road, Hudai Town, Binhu District , Wuxi 214100, Kina







