W-36BS
Cat:Kuttehjulstransportør
Type D*w*d*b Aksel Rammestørrelse H*W1*W...
Avansert struktur, ytelse av høy kvalitet, enkel å bruke, høy pålitelighet og holdbarhet.
Metall flytende hjultransportør er en metall materiale flytende hjulmontering av flytende stang, hjulene er vanligvis laget av stempling og kutter to prosesseringsmetoder, materialet er stål galvanisert, rustfritt stål, kromplating og andre alternativer. Rammemateriale er vanligvis delt inn i: stål galvanisert, stålspray, aluminium, rustfritt stål.

Type D*w*d*b Aksel Rammestørrelse H*W1*W...
| Type | D*w*d*b | Aksel | Rammestørrelse H*W1*W2*W3*T. | Høyde H | Lengde L | Hjulbane P | Enkelthjulbelastning (kg) | Rammetype |
| W-36BS | 36x9x6.2x25 | M6x38l | 45x29.6x10x42x2.3 | 51 | 1000 · 2000 · 3000 | 50 · 75 · 100 · 150 | 40 | A |

Type D*w*d*b Aksel Rammestørrelse H*W1*W...
| Type | D*w*d*b | Aksel | Rammestørrelse H*W1*W2*W3*T. | Høyde H | Lengde L | Hjulbane P | Enkelthjulbelastning (kg) | Rammetype |
| W-50BS | 50x14.5x8.2x20 | M8x35l | 50x46x13x40x3.2 | 60 | 1000 · 2000 · 3000 | 75 · 100 · 150 | 80 | C |

Type D*w*d*b Aksel Rammestørrelse H*W1*W...
| Type | D*w*d*b | Aksel | Rammestørrelse H*W1*W2*W3*T. | Høyde H | Lengde L | Hjulbane P | Enkelthjulbelastning (kg) | Rammetype |
| W-50ds | 50x14.5x12.2x20 | M12x40L | 60x70x25x48x3.2 | 65 | 1000 · 2000 · 3000 | 75 · 100 · 150 · 200 | 100 | D |
| WB-36BS | 36x9x6.2x25 | M6x35l | 45x28.2x8.5x39x1.6 | 52 | 1000 · 2000 · 3000 | 50 · 75 · 100 | 40 | E |
| WB-36CS | 36x9x8.2x28 | M8x40l | 42.3x60x31.2x45x2.3 | 49.3 | 1000 · 2000 · 3000 | 50 · 75 · 100 | 40 | L |
| W-36CS | 36x9x8.2x28 | M8x40l | 42.3x60x32.6x45x2.3 | 47.3 | 1000 · 2000 · 3000 | 50 · 75 · 100 · 150 | 40 | J |
| W-36BW | 36x9x8.2x14 | M8x55l | 46,3 × 60 × 33 × 71 × 2: 3 | 52.3 | 1000 · 2000 · 3000 | 50 · 75 · 100 · 150 | 40 | K |
| W-36WW | 36x9x8.2x14 | M8x45l | 40x108x40x50.5x3 | 45 | 1000 · 2000 · 3000 | 30 · 40 · 50 · 75 | 40 | M |
| W-50WW | 50x14.5x12.2x20 | M12x65L | 50x140x50x73x6 | 60 | 1000 · 2000 · 3000 | 40 · 50 · 75 | 100 | M |
| HG-W50DS | 50x14.5x12.2x20 | M12x40L | 60x70x25x48x3.2 | 65 | 1000 · 2000 · 3000 | 75 · 100 · 150 · 200 | 100 | D |
| HW-76DS | 76.3x30x30x44 | φ30x75l | 100x145x50x75x5 | 105 | 1000 · 2000 · 3000 | 100 · 200 · 300 | 1000 | O |

Type D*w*d*b Aksel Rammestørrelse H*W1*W...
| Type | D*w*d*b | Aksel | Rammestørrelse H*W1*W2*W3*T. | Høyde H | Lengde L | Hjulbane P | Enkelthjulbelastning (kg) | Rammetype |
| WB-36BS | 36x9x6.2x25 | M6x35l | 45x28.2x8.5x39x1.6 | 52 | 1000 · 2000 · 3000 | 50 · 75 · 100 | 40 | E |

Type D*w*d*b Aksel Rammestørrelse H*W1*W...
| Type | D*w*d*b | Aksel | Rammestørrelse H*W1*W2*W3*T. | Høyde H | Lengde L | Hjulbane P | Enkelthjulbelastning (kg) | Rammetype |
| WB-36CS | 36x9x8.2x28 | M8x40l | 42.3x60x31.2x45x2.3 | 49.3 | 1000 · 2000 · 3000 | 50 · 75 · 100 | 40 | L |

Type D*w*d*b Aksel Rammestørrelse H*W1*W...
| Type | D*w*d*b | Aksel | Rammestørrelse H*W1*W2*W3*T. | Høyde H | Lengde L | Hjulbane P | Enkelthjulbelastning (kg) | Rammetype |
| W-36CS | 36x9x8.2x28 | M8x40l | 42.3x60x32.6x45x2.3 | 47.3 | 1000 · 2000 · 3000 | 50 · 75 · 100 · 150 | 40 | J |

Type D*w*d*b Aksel Rammestørrelse H*W1*W...
| Type | D*w*d*b | Aksel | Rammestørrelse H*W1*W2*W3*T. | Høyde H | Lengde L | Hjulbane P | Enkelthjulbelastning (kg) | Rammetype |
| W-36BW | 36x9x8.2x14 | M8x55l | 46,3 × 60 × 33 × 71 × 2: 3 | 52.3 | 1000 · 2000 · 3000 | 50 · 75 · 100 · 150 | 40 | K |

Type D*w*d*b Aksel Rammestørrelse H*W1*W...
| Type | D*w*d*b | Aksel | Rammestørrelse H*W1*W2*W3*T. | Høyde H | Lengde L | Hjulbane P | Enkelthjulbelastning (kg) | Rammetype |
| W-36WW | 36x9x8.2x14 | M8x45l | 40x108x40x50.5x3 | 45 | 1000 · 2000 · 3000 | 30 · 40 · 50 · 75 | 40 | M |

Type D*w*d*b Aksel Rammestørrelse H*W1*W...
| Type | D*w*d*b | Aksel | Rammestørrelse H*W1*W2*W3*T. | Høyde H | Lengde L | Hjulbane P | Enkelthjulbelastning (kg) | Rammetype |
| W-50WW | 50x14.5x12.2x20 | M12x65L | 50x140x50x73x6 | 60 | 1000 · 2000 · 3000 | 40 · 50 · 75 | 100 | M |

Type D*w*d*b Aksel Rammestørrelse H*W1*W...
| Type | D*w*d*b | Aksel | Rammestørrelse H*W1*W2*W3*T. | Høyde H | Lengde L | Hjulbane P | Enkelthjulbelastning (kg) | Rammetype |
| HG-W50DS | 50x14.5x12.2x20 | M12x40L | 60x70x25x48x3.2 | 65 | 1000 · 2000 · 3000 | 75 · 100 · 150 · 200 | 100 | D |

Type D*w*d*b Aksel Rammestørrelse H*W1*W...
| Type | D*w*d*b | Aksel | Rammestørrelse H*W1*W2*W3*T. | Høyde H | Lengde L | Hjulbane P | Enkelthjulbelastning (kg) | Rammetype |
| HW-76DS | 76.3x30x30x44 | φ30x75l | 100x145x50x75x5 | 105 | 1000 · 2000 · 3000 | 100 · 200 · 300 | 1000 | O |

Type D*w*d*b Aksel Rammestørrelse H*W1*W...
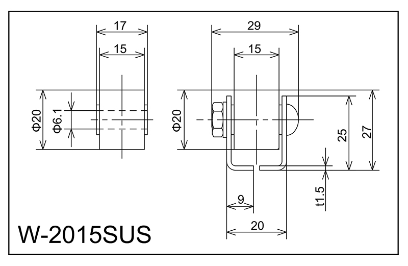
| Type | D*w*d*b | Aksel | Rammestørrelse H*W1*W2*W3*T. | Høyde H | Lengde L | Hjulbane P | Enkelthjulbelastning (kg) | Rammetype |
| W-2015sus | 20x15x6.1x17 | M6x25l | 25x20 × 9x29x1.5 | 27 | 1000 · 1500 · 2000 | 25 · 30 · 35 | 30 | A |
Hvorfor rullebanevedlikehold påvirker systemets levetid direkte Rullebane systemer er ryggraden i mo...
Les merHva gjør en rullebane til virkelig slitesterk? En kraftig rullebane er ikke definert av markedsføringskrav, m...
Les merHva er rullebaner og hvorfor betyr typen noe? Rullebaner er materialhåndteringssystemer som bruker e...
Les merHvorfor rullebaner forblir ryggraden i materialhåndtering Rullebaner forbedre effektiviteten i moder...
Les merTransportørsystemer flytte millioner av tonn materiale hver dag på tvers av fabrikker, varehus, gruveanleg...
Les merHovedtyper av båndtransportsystemer med et blikk Beltetransportør systemer faller inn i flere kjerne...
Les merÅ bringe håndverk til fremtiden.
No.60, Zhenhu North Road, Hudai Town, Binhu District , Wuxi 214100, Kina



